OEM HF-Glasisolator Supplier

HF-Glasisolator

Beschreibung:

Glasisolatoren verwenden eine Glassinterstruktur mit guter Dichtungsleistung. Sie können mit Millimeterwellen-Steckverbindern wie SMA und 2,92 verwendet werden und können auch direkt zwischen Leiterplatten, Schablonen sowie Schablonen und Komponenten verwendet werden. Als isolierendes Medium wird Glas (Dielektrizitätskonstante beträgt etwa 4,0) verwendet, und der Innen- und Außenleiter bestehen aus Kovar-Legierungsmaterial. Nach dem Hochtemperatursintern wird die Oberfläche mit Gold vernickelt. Glasisolatoren zeichnen sich durch geringe Größe, geringes Gewicht, Luftdichtheit und hohe Zuverlässigkeit aus. Sie werden meist bei Anforderungen an die Versiegelung oder Anforderungen an Produktvolumen und -gewicht eingesetzt. Sie sind für eine intensive Installation geeignet. Der Innenleiter kann auf verschiedene Arten angeschlossen werden, z. B. durch Stecken, Oberflächenmontage, Schweißen und Golddrahtbonden.

Erkundigen

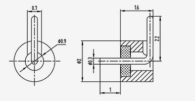
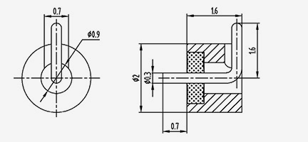
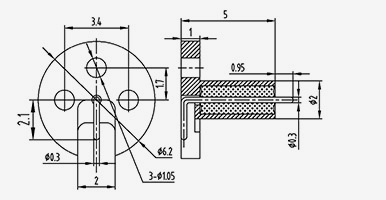
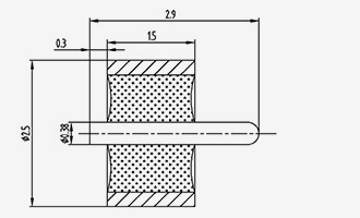
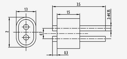
Grundstruktur:
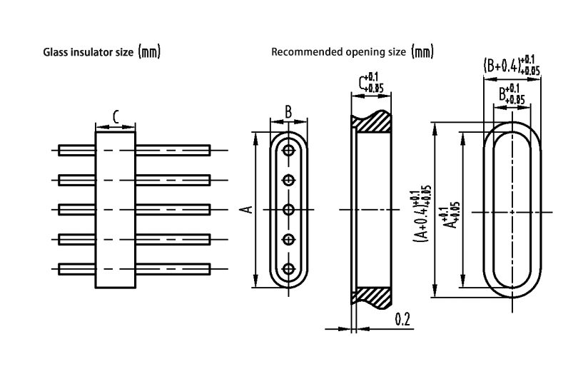
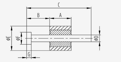
Ein Glasisolator besteht normalerweise aus drei Teilen: Außenleiter, Glasmedium und Innenleiter. Seine Grundstruktur ist in der folgenden Abbildung dargestellt.

Technische Spezifikationen und Zuverlässigkeitstests:

Elektrische Eigenschaften
Charakteristische Impedanz 50 Ω oder andere Frequenzbereich Gleichstrom ~ 65 GHz
Dielektrische Spannungsfestigkeit ≥500V Isolationswiderstand ≥5000M Ω
Kontaktwiderstand Innenleiter ≤3m Ω Spannung VSWR (50 Ω) ≤ 1,05 0,008f ( f: GHz)
Außenleiter ≤2m Ω HF-Einfügedämpfung (50 Ω) ≤0,05 √ f (f: GHz)
Material- und mechanische Umwelteigenschaften
Außenleiter Delegierbare Legierungen Luftleckrate 1,01*10 -9 Pa.m 3 /S
Innenleiter Abbaubare Legierungen Betriebstemperatur -65 ~ 165
Isoliermedium Glas

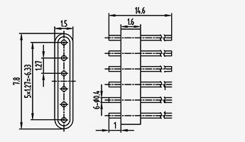
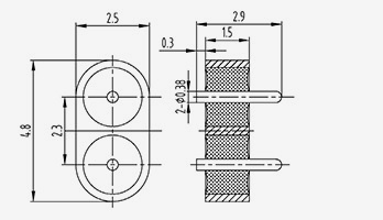
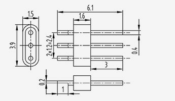
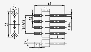
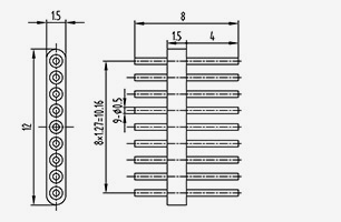
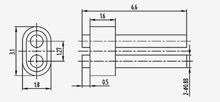
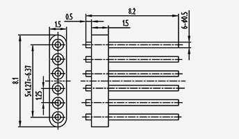
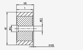
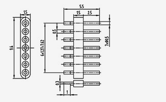
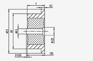
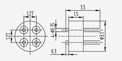
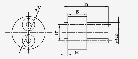
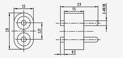
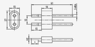
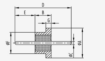
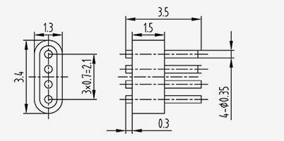
Empfohlene Einbaumaße für Glasisolatoren
Die empfohlenen Einbauöffnungsmaße für einadrige Glasisolatoren sind unten aufgeführt:

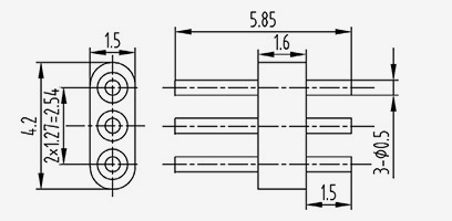
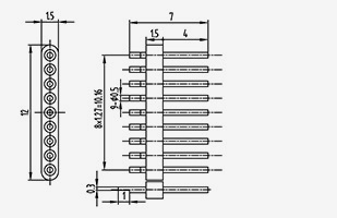
Die empfohlenen Abmessungen der Montageöffnung für mehradrige Glasisolatoren sind unten aufgeführt:

Prüfung der elektrischen Leistung von Glasisolatoren:
50-Ohm-Glasisolatoren mit charakteristischer Impedanz und standardmäßigen SMA-, 2,92-, 2,4- usw. Millimeterwellenanschlüssen, die an beiden Enden für elektrische Leistungstests verbunden sind.

RF SERIES
  • 50 Ω charakteristische Impedanz – einkerniger runder Kopf
    50 Ω charakteristische Impedanz – einkerniger runder Kopf
    Modell Größe (mm)
    A B C D E
    HS1710-0,23(2,8-0,3) 1.73 1 0.23 2.8 0.3
    HS1710-0,23(6,2-2,7) 1.73 1 0.23 6.2 2.7
    HS1710A 1.73 1 0.23 3 1
    HS1714-0,23(2-0,3) 1.73 1.4 0.23 2 0.3
    V1714-0,23(2,69-0,5) 1.73 1.4 0.23 2.7 0.5
    V1714-0,23(3,9-1,7) 1.73 1.4 0.23 3.9 1.7
    V1714-0,23(4,5-1,7) 1.73 1.4 0.23 4.5 1.7
    HS1714-0,23(3-1,1) 1.73 1.4 0.23 3 1.1
    HSI714E 1.73 1.4 0.23 2.9 1
    HS1714F 1.73 1.4 0.23 2.79 0.9
    HS1715-0,23(3,2-0,8) 1.73 1.5 0.23 3.2 0.8
    HS1716A 1.73 1.65 0.23 3.4 1
    V1719-0,23(5,0-1,7) 1.73 1.9 0.23 5 1.7
    V1720-0,23(3,3-0,5) 1.73 2 0.23 3.3 0.5
    HS1720-0,23(3,7-1,2) 1.73 2 0.23 3.7 1.2
    V1720-0,23(4,0-1,0) 1.73 2 0.23 4 1
    HS1720-0,23(6-2) 1.73 2 0.23 6 2
    V1724-0,23(3,7-0,5) 1.73 2.4 0.23 3.7 0.5
    HS1724-0,23(4,5-1,7) 1.73 2.4 0.23 4.5 1.7
  • 50 Ω charakteristische Impedanz – einkerniger runder Kopf
    50 Ω charakteristische Impedanz – einkerniger runder Kopf
    Modell Größe (mm)
    A B C D E
    V1727-0,23(4,0-0,5) 1.73 2.7 0.23 4 0.5
    HS1727A 1.73 2.7 0.23 4.7 1
    HS1728-0,23(4-0,5) 1.73 2.8 0.23 4 0.5
    HS1730-0,23(4,3-0,5) 1.73 3 0.23 4.3 0.5
    V1730-0,23(5,0-1,0) 1.73 3 0.23 5 1
    HS1734-0.23-01 1.73 3.4 0.23 5.2 1
    HS1744-0.23-01 1.73 4.4 0.23 6.2 1
    HS1749-0,23(8,9-2,0) 1.73 4.9 0.23 8.9 2
    HS1751A 1.73 5.1 0.23 5.9 0.4
    HS1756-0,23(6,6-0,5) 1.73 5.6 0.23 6.6 0.5
    HS1914-0,3(2,55-0,35) 1.9 1.4 0.3 2.55 0.35
    HS1914-0,3(3,2-1,1) 1.9 1.4 0.3 3.2 1.1
    HS1914C 1.9 1.4 0.3 3.6 0.7
    HS1914-0.3(4.4-2) 1.9 1.4 0.3 4.4 2
    HS1914-0,3(3,2-1,1) 1.9 1.4 0.3 3.2 1.1
    HS1914-0,3(3,8-1,2) 1.9 1.4 0.3 3.8 1.2
    HS1914-0.3(4.4-2) 1.9 1.4 0.3 4.4 2
    HS1916-0,3(4,7-0,8) 1.9 1.6 0.3 4.7 0.8
    HS1916B 1.9 1.6 0.3 4.9 0.8
  • 50 Ω charakteristische Impedanz – einkerniger runder Kopf
    50 Ω charakteristische Impedanz – einkerniger runder Kopf
    Modell Größe (mm)
    A B C D E
    HS1917-0.3(3.45-1) 1.9 1.75 0.3 3.45 1
    HS1918-0,3(5,8-2) 1.9 1.8 0.3 5.8 2
    HS1918-0,3(7,8-4,2) 1.9 1.8 0.3 7.8 4.2
    HS1918-0,3(3,5-1) 1.95 1.8 0.3 3.5 1
    HS1934-0,3(4,6-0,4) 1.9 3.4 0.3 4.6 0.4
    HS2006-0.3(3.2-2) 2 0.6 0.3 3.2 2
    HS2008-0.3(1.32-0.26) 2 0.8 0.3 1.32 0.26
    HS2008F 2 0.8 0.3 1.7 0.45
    HS2008-0,3(1,8-0,3) 2 0.8 0.3 1.8 0.3
    HS2008-0.3(2.8-1.0) 2 0.8 0.3 2.8 1
    HS2008-0.3(3.0-1.5) 2 0.8 0.3 3 1.5
    HS2008-0.3(3.4-0.8) 2 0.8 0.3 3.4 0.8
    HS2008-0.3(3.6-1.2) 2 0.8 0.3 3.6 1.2
    HS2008-0.3(5.4-2.6) 2 0.8 0.3 5.4 2.6
    HS2008-0.3(6-2.6) 2 0.8 0.3 6 2.6
    HS2010-0.3(2.1-0.7) 2 1 0.3 2.1 0.7
    HS2010-0.3(2.5-1) 2 1 0.3 2.5 1
    HS2010-0.3(3.2-1.2) 2 1 0.3 3.2 1.2
    HS2011-0.3(2.1-0.5) 2 1.1 0.3 2.1 0.5
  • 50 Ω charakteristische Impedanz – einkerniger runder Kopf
    50 Ω charakteristische Impedanz – einkerniger runder Kopf
    Modell Größe (mm)
    A B C D E
    HS2012A 2 1.2 0.3 3.5 1.2
    HS2012-0.3(6-1.8) 2 1.2 0.3 6 1.8
    HS2012-0,3(6,7-1,5) 2 1.2 0.3 6.7 1.5
    HS2013-0,3(2,3-0,5) 2 1.3 0.3 2.3 0.5
    HS2014-0,3(1,92-0,26) 2 1.4 0.3 1.92 0.26
    HS2014-0.3(2.12-0.36) 2 1.4 0.3 2.12 0.36
    HS2014-0,3(2,4-0,5) 2 1.4 0.3 2.4 0.5
    HS2014D 2 1.4 0.3 3.1 0.45
    HS2014-0.3(4.4-1.5) 2 1.4 0.3 4.4 1.5
    HS2014-0.3(4.4-1) 2 1.4 0.3 4.4 1
    HS2014-0,3(4,55-1,5) 2 1.4 0.3 4.55 1.5
    HS2014-0,3(4,65-1,5) 2 1.4 0.3 4.65 1.5
    HS2014-0.3(5.5-1.9) 2 1.4 0.3 5.5 1.9
    HS2014-0.3(5.7-1.8) 2 1.4 0.3 5.7 1.8
    HS2014-0.3(8.0-4.6) 2 1.4 0.3 8 4.6
    HS2014-0.3(8-1.9) 2 1.4 0.3 8 1.9
    HS2015-0,3(3,25-0,75) 2 1.5 0.3 3.25 0.75
    HS2016-0,3(2,7-0,7) 2 1.6 0.3 2.7 0.7
    HS2016-0.3(2.8-0.5) 2 1.6 0.3 2.8 0.5
  • 50 Ω charakteristische Impedanz – einkerniger runder Kopf
    50 Ω charakteristische Impedanz – einkerniger runder Kopf
    Modell Größe (mm)
    A B C D E
    HS2016-0.3(3.5-1.2) 2 1.6 0.3 3.5 1.2
    HS2016-0.3(3.6-1) 2 1.6 0.3 3.6 1
    HS2016-0,3(3,9-0,4) 2 1.6 0.3 3.9 0.4
    HS2016E 2 1.6 0.3 3.9 0.6
    HS2016-0.3(4.1-1) 2 1.6 0.3 4.1 1
    HS2016-0,3(4,2-0,8) 2 1.6 0.3 4.2 0.8
    HS2016-0.3(4.6-1.2) 2 1.6 0.3 4.6 1.2
    HS2016-0.3(4.6-1.8) 2 1.6 0.3 4.6 1.8
    Ka2016-0.3(5-2.9) 2 1.6 0.3 5 2.9
    HS2016-0.3(5.2-1.8) 2 1.6 0.3 5.2 1.8
    HS2016-0.3(8.0-4.6) 2 1.6 0.3 8 4.6
    HS2016-0.3(8-1.8) 2 1.6 0.3 8 1.8
    HS2016-0.3(12-2.4) 2 1.6 0.3 12 2.4
    HS2016-0.3(20.4-4.6) 2 1.6 0.3 20.4 4.6
    HS2017-0.3(3.3-0.8) 2 1.7 0.3 3.3 0.8
    HS2017-0.3(8.5-2.0) 2 1.7 0.3 8.5 2
    HS2018-0.3(3.5-1) 2 1.8 0.3 3.5 1
    HS2019-0.3-01 2 1.9 0.3
    HS2020-0.3(3.4-0.4) 2 2 0.3 3.4 0.4
  • 50 Ω charakteristische Impedanz – einkerniger runder Kopf
    50 Ω charakteristische Impedanz – einkerniger runder Kopf
    Modell Größe (mm)
    A B C D E
    HS2020-0,3(3,8-0,8) 2 2 0.3 3.8 0.8
    HS2020-0.3(5.6-2.8) 2 2 0.3 5.6 2.8
    HS2020-0.3(5.7-2.9) 2 2 0.3 5.7 2.9
    HS2020-0.3(6-2) 2 2 0.3 6 2
    HS2020-0.3(12-5) 2 2 0.3 12 5
    HS2022F 2 2.2 0.3 3.1 0.45
    HS2022-0,3(3,2-0,7) 2 2.2 0.3 3.2 0.7
    HS2023-0,3(3,35-0,7) 2 2.3 0.3 3.35 0.7
    HS2023-0,3(3,7-0,7) 2 2.3 0.3 3.7 0.7
    HS2025-0,3(4,8-0,9) 2 2.5 0.3 4.8 0.9
    HS2025-0,3(6-1,5) 2 2.5 0.3 6 1.5
    HS2025-0,38(7,4-1,4) 2 2.5 0.38 7.4 1.4
    HS2026.5-0.3-01 2 2.6 5 0.3 0.1
    HS2028-0,3(4,9-0,5) 2 2.8 0.3 4.9 0.5
    HS2029-0,3(4,1-0,8) 2 2.9 0.3 4.1 0.8
    HS2029-0,3(4,9-0,5) 2 2.9 0.3 4.9 0.5
    HS2030-0,3(5,2-1,5) 2 3 0.3 5.2 1.5
    HS2030-0.3(5.8-1) 2 3 0.3 5.8 1
    HS2030-0.3(8-2) 2 3 0.3 8 2
  • 50 Ω charakteristische Impedanz – einkerniger runder Kopf
    50 Ω charakteristische Impedanz – einkerniger runder Kopf
    Modell Größe (mm)
    A B C D E
    HS2030-0,3(9-1,5) 2 3 0.3 9 1.5
    HS2034-0,3(4,4-0,7) 2 3.4 0.3 4.4 0.7
    HS2035-0,3(6,6-1,8) 2 3.5 0.3 6.6 1.8
    HS2035-0,3(6,65-1,3) 2 3.5 0.3 6.65 1.3
    HS2035-0.3(7.1-1.3) 2 3.5 0.3 7.1 1.3
    HS2035-0,3(9,5-3) 2 3.5 0.3 9.5 3
    HS2036-0,3(5,7-0,7) 2 3.6 0.3 5.7 0.7
    HS2040A 2 4 0.3 5.1 0.8
    HS2045-0,7(11,5-2) 2 4.5 0.7 11.5 2
    HS2050-0,3(6,4-0,7) 2 5 0.3 6.4 0.7
    HS2507-0,38(2,2-0,3) 2.5 0.7 0.38 2.2 0.3
    HS2508-0,38(1,8-0,3) 2.5 0.8 0.38 1.8 0.3
    HS2508-0,38(2-0,5) 2.5 0.8 0.38 2 0.5
    HS2510-0,38(3,6-1,3 ) 2.5 1 0.38 3.6 1.3
    HS2510-0,38(7-3) 2.5 1 0.38 7 3
    HS2511-0,38(2..4-0,5) 2.5 1.1 0.38 2.4 0.5
    HS2511-0,38(3,7-0,6) 2.5 1.1 0.38 3.7 0.6
    HS2512-0,38(3,1-0,8) 2.5 1.1 0.38 3.7 0.6
    HS4414-0.3(3.2-1.1) 4.4 1.4 0.3 3.2 1.1
  • 50 Ω charakteristische Impedanz – einkerniger runder Kopf
    50 Ω charakteristische Impedanz – einkerniger runder Kopf
    Modell Größe (mm)
    A B C D E
    HS2516-0,3(7,5-2,14) 2.5 1.6 0.3 7.5 2.14
    HS2516-0,3(8-1,8) 2.5 1.6 0.3 8 1.8
    HS2516-0,38(3,5-0,7) 2.5 1.6 0.38 3.5 0.7
    HS2516-0,38(4,1-1,25) 2.5 1.6 0.38 4.1 1.25
    HS2516-0,38(4,3-1,2) 2.5 1.6 0.38 4.3 1.2
    Ka2511-0,38(2,7-1,0) 2.5 1.1 0.38 2.7 1
    Ka2516-0,38(2,9-0,3) 2.5 1.6 0.38 2.9 0.3
    K2516-0,38(4-1,5) 2.5 1.6 0.38 4 1.5
    HS2516-0,38(4,5-1,2) 2.5 1.6 0.38 4.5 1.2
    HS2516-0,38(4,6-1) 2.5 1.6 0.38 4.6 1
    HS2516E 2.5 1.6 0.38 4.6 1.5
    HS2516G 2.5 1.6 0.38 4.6 1.5
    HS2516-0,38(4,8-1,2) 2.5 1.6 0.38 4.8 1.2
    HS2516-0,38(4,9-1,5) 2.5 1.6 0.38 4.9 1.5
    HS2516-0,38(5,1-1,6) 2.5 1.6 0.38 5.1 1.6
    HS2516-0,38(5,3-1,2) 2.5 1.6 0.38 5.3 1.2
    Ka2516-0,38(5,6-3,0) 2.5 1.6 0.38 5.6 3
    HS2516-0,38(6,1-1,3) 2.5 1.6 0.38 6.1 1.3
    HS2516-0,38(7,1-1,4) 2.5 1.6 0.38 7.1 1.4
  • 50 Ω charakteristische Impedanz – einkerniger runder Kopf
    50 Ω charakteristische Impedanz – einkerniger runder Kopf
    Modell Größe (mm)
    A B C D E
    HS2516-0,38(7,41-1,27) 2.5 1.6 0.38 7.41 1.27
    HS2516F 2.5 1.6 0.38 7.45 4.55
    HS2516-0.38-01 2.5 1.6 0.38 7.5 1.3
    HS2516-0,38(8-1,8) 2.5 1.6 0.38 8 1.8
    RF2516-0,38(8-4,6) 2.5 1.6 0.38 8 4.6
    HS2516-0,38(8-5) 2.5 1.6 0.38 8 5
    K2516-0,38(8-1,5) 2.5 1.6 0.38 8 1.5
    K2516-0,38(8-5,9) 2.5 1.6 0.38 8 5.9
    HS2516-0,38(11,6-5) 2.5 1.6 0.38 11.6 5
    HS2516-0,38(12-2,0) 2.5 1.6 0.38 12 2
    HS2520-0,38(6-2) 2.5 2 0.38 6 2
    HS2520-0,38(7,4-1,4) 2.5 2 0.38 7.4 1.4
    HS2520-0,38(7,8-1,4) 2.5 2 0.38 7.8 1.4
    HS2520-0,38(9,0-2,0) 2.5 2 0.38 9 2
    HS2520-0,38(12-5) 2.5 2 0.38 12 5
    HS2520-0,38(15-2) 2.5 2 0.38 15 2
    HS2524-0,38(5,7-1,1) 2.5 2.4 0.38 5.7 1.1
    HS2526-0,38(6,6-2) 2.5 2.6 0.38 6.6 2
    HS2530-0,38(3,6-0,3) 2.5 3 0.38 3.6 0.3
  • 50 Ω charakteristische Impedanz – einkerniger runder Kopf
    50 Ω charakteristische Impedanz – einkerniger runder Kopf
    Modell Größe (mm)
    A B C D E
    Ka2530-0,38(4,6-1,0) 2.5 3 0.38 4.6 1
    HS2530A 2.5 3 0.38 5 1
    HS2530-0,38(7,5-1,5) 2.5 3 0.38 7.5 1.5
    HS2530-0,38(8-0,4) 2.5 3 0.38 8 0.4
    HS2530-0,38(8-2) 2.5 3 0.38 8 2
    HS2530-0,38(9-3) 2.5 3 0.38 9 3
    HS2530-0,38(12-2,2) 2.5 3 0.38 12 2.2
    HS2530-0,38(13,9-8,2) 2.5 3 0.38 13.9 8.2
    HS2530-0,38(20-4) 2.5 3 0.38 20 4
    HS2533-0,38(6,5-1,2) 2.5 3.3 0.38 6.5 1.2
    HS2535-0,38(7,5-2) 2.5 3.5 0.38 7.5 2
    HS2537-0,38(7,7-2) 2.5 3.7 0.38 7.7 2
    HS2540-0,38(11-1,8) 2.5 4 0.38 11 1.8
    HS2545-0,38(8-1,3) 2.5 4.5 0.38 8 1.3
    HS2550-0,38(6,9-1,5) 2.5 5 0.38 6.9 1.5
    HS2550-0,38(11-2) 2.5 5 0.38 11 2
    HS2558-0,38(14,8-6) 2.5 5.8 0.38 14.8 6
    HS2575-0,38(12-1,3) 2.5 7.5 0.38 12 1.3
    HS2810-0,45(3,3-0,35) 2.8 1 0.45 3.3 0.35
  • 50 Ω charakteristische Impedanz – einkerniger runder Kopf
    50 Ω charakteristische Impedanz – einkerniger runder Kopf
    Modell Größe (mm)
    A B C D E
    HS2815-0,45(5,75-1,25) 2.8 1.5 0.45 5.75 1.25
    HS2816-0,45(4,6-1,5) 2.8 1.6 0.45 4.6 1.5
    HS2816-0,45(4,9-1,8)-R 2.8 1.6 0.45 4.9 1.8
    HS2816-0,45(5,1-1,5) 2.8 1.6 0.45 5.1 1.5
    HS2816-0,45(5,2-1,1) 2.8 1.6 0.45 5.2 1.1
    HS2816-0,45(5,4-2) 2.8 1.6 0.45 5.4 2
    HS2816-0,45(5,6-2) 2.8 1.6 0.45 5.6 2
    HS2816-0,45(6,2-1,8) 2.8 1.6 0.45 6.2 1.8
    HS2816-0,45(8,0-4,6) 2.8 1.6 0.45 8 4.6
    HS2816-0,45(8-1,8) 2.8 1.6 0.45 8 1.8
    HS2816-0,45(11,6-5) 2.8 1.6 0.45 11.6 5
    HS2816-0,45(12-3,0) 2.8 1.6 0.45 12 3
    HS2831-0,45(5,2-1,8) 2.8 3.1 0.45 5.2 1.8
    HS2843-0,45(8,3-2) 2.8 4.3 0.45 8.3 2
    HS3015-0,5(4,3-0,8) 3 1.5 0.5 4.3 0.8
    HS3016-0,5(3,4-0,9) 3 1.6 0.5 3.4 0.9
    HS3016-0,5(4,6-1) 3 1.6 0.5 4.6 1
    HS3016-0,5(4,6-1,5) 3 1.6 0.5 4.6 1.5
    HS3016B 3 1.6 0.38 4.9 1.8
  • 50 Ω charakteristische Impedanz – einkerniger runder Kopf
    50 Ω charakteristische Impedanz – einkerniger runder Kopf
    Modell Größe (mm)
    A B C D E
    HS3016-0,5(5,6-2) 3 1.6 0.5 5.6 2
    HS3016C 3 1.6 0.5 6.6 2
    HS3016-0,5(6,6-2,5) 3 1.6 0.5 6.6 2.5
    HS3016-0,5(7,5-2) 3 1.6 0.5 7.5 2
    HS3016-0,5(7,5-3,9) 3 1.6 0.5 7.5 3.9
    HS3016-0,5(7,8-2,0) 3 1.6 0.5 7.8 2
    HS3016-0,5(9,65-3,05) 3 1.6 0.5 9.65 3.05
    HS3016-0,5(12-5,0) 3 1.6 0.5 12 5
    HS3016-0,5(14,3-1,5) 3 1.6 0.5 14.3 1.5
    HS3020-0,5(5-1,8) 3 2 0.5 5 1.8
    HS3020-0,5(6,0-1,5) 3 2 0.5 6 1.5
    HS3020-0,5(6,5-2,2) 3 2 0.5 6.5 2.2
    HS3020-0,5(6,5-2,3) 3 2 0.5 6.5 2.3
    HS3020-0,5(6,8-1,8) 3 2 0.5 6.8 1.8
    HS3020-0,5(7,5-2,2) 3 2 0.5 7.5 2.2
    HS3020-0,5(8-2) 3 2 0.5 8 2
    HS3020-0,5(8,5-2,2) 3 2 0.5 8.5 2.2
    HS3020-0,5(8,5-4,3) 3 2 0.5 8.5 4.3
    HS3020-0,5(10-4) 3 2 0.5 10 4
  • 50 Ω charakteristische Impedanz – einkerniger runder Kopf
    50 Ω charakteristische Impedanz – einkerniger runder Kopf
    Modell Größe (mm)
    A B C D E
    HS3020-0,5(10-1,5) 3 2 0.5 10 1.5
    HS3020-0,5(12-4,0) 3 2 0.5 12 4
    HS3020-0,5(12-5,0) 3 2 0.5 12 5
    HS3020-0,5(12-6) 3 2 0.5 12 6
    HS3020-0,5(15-2) 3 2 0.5 15 2
    HS3025-0,5(5,4-1,2) 3 2.5 0.5 5.4 1.2
    HS3030A 3 3 0.38 10 1.5
    HS3030-0,5(6,5-2) 3 3 0.5 6.5 2
    HS3030-0,5(6,6-1,8) 3 3 0.5 6.6 1.8
    HS3030-0,5(7,5-2)-R 3 3 0.5 7.5 2
    HS3030-0,5(8,8-1,8) 3 3 0.5 8.8 1.8
    HS3030-0,5(10-2) 3 3 0.5 10 2
    HS3030-0,5(12-3) 3 3 0.5 12 3
    HS3030-0,5(12-2) 3 3 0.5 12 2
    HS3030-0,5(14-4,0) 3 3 0.5 14 4
    HS3035-0,5(6-1) 3 3.5 0.5 6 1
    HS3035-0,5(11,5-4) 3 3.5 0.5 11.5 4
    HS3040A 3 4 0.5 10.4 4
    HS3042-0,5(9,0-2,2) 3 4.2 0.5 9 2.2
  • 50 Ω charakteristische Impedanz – einkerniger runder Kopf
    50 Ω charakteristische Impedanz – einkerniger runder Kopf
    Modell Größe (mm)
    A B C D E
    HS3045-0,5(8,5-2) 3 4.5 0.5 8.5 2
    HS3047-0,5(9,4-2,2) 3 4.7 0.5 9.4 2.2
    HS3047-0,5(12-5,1) 3 4.7 0.5 12 5.1
    HS3050-0,5(9-2) 3 5 0.5 9 2
    HS3052A 3 5.2 0.5 10.3 4
    HS3057-0,5(12,5-3) 3 5.7 0.5 12.5 3
    HS3620-0,5(9-2,5) 3.6 2 0.5 9 2.5
    HS3616-0,6(12,2-1,6) 3.6 1.6 0.6 12.2 1.6
    HS3625-0,6(6,5-2) 3.6 2.5 0.6 6.5 2
    HS2540-0.8(27-5) 2.5 4 0.8 27 5
    HS4030A 4 3 1 10.6 4.6
    HS5010-0,8(5,9-2,45) 5 1 0.8 5.9 2.45
    HS5015-0,8(7,3-4,9) 5 1.5 0.8 7.3 4.9
    HS5016B 5 1.6 0.8 5.6 2
    HS5016-0,8(8,6-3,0) 5 1.6 0.8 8.6 3
    HS5030-0,8(17,2-2) 5 3 0.8 17.2 2
    HS5040-0,8(12-3) 5 4 0.8 12 3
    HS5060-0,8(11,5-2,5) 5 6 0.8 11.5 2.5
    HS5065-0,8(13,7-3) 5 6.5 0.8 13.7 3
  • 50 Ω charakteristische Impedanz – einkerniger runder Kopf
    50 Ω charakteristische Impedanz – einkerniger runder Kopf
    Modell Größe (mm)
    A B C D E
    HS5065-0,8(15,5-3) 5 6.5 0.8 15.5 3
    HS5516-0,9(8,3-2,8) 5.5 1.6 0.9 8.3 2.8
    HS5516-0,9(8,5-2,8) 5.5 1.6 0.9 8.5 2.8
    HS5516-0,9(8,7-2,8) 5.5 1.6 0.9 8.7 2.8
    HS5516-0,9(8,9-2,8) 5.5 1.6 0.9 8.9 2.8
    HS5516-0.9(9.1-2.8) 5.5 1.6 0.9 9.1 2.8
    HS5516-0,9(11,9-2,8) 5.5 1.6 0.9 11.9 2.8
    HS5516-0.9(12.6-2) 5.5 1.6 0.9 12.6 2
    HS5516-0,9(13,8-2,8) 5.5 1.6 0.9 13.8 2.8
    HS5525-0,9(9,7-1,6) 5.5 2.5 0.9 9.7 1.6
    HS5525-0.9(16-5) 5.5 2.5 0.9 16 5
    HS5530-0,9(8,8-2,3) 5.5 3 0.9 8.8 2.3
    HS5530-0,9(9,6-2,3) 5.5 3 0.9 9.6 2.3
    HS5530-0,9(13,8-2,8) 5.5 3 0.9 13.8 2.8
    HS5530A 5.5 3 1.35 13.5 7.5
    HS5530B 5.5 3 1.35 13.8 7.8
    HS6016-1,0(8,5-1,5) 6 1.6 1 8.5 1.5
    HS6840-0,9(7-1,5) 6.8 4 0.9 7 1.5
    HS8330-1.3(13-5) 8.3 3 1.3 13 5
  • 50 Ω charakteristische Impedanz – einkerniger Flachkopf
    50 Ω charakteristische Impedanz – einkerniger Flachkopf
    Modell Größe (mm)
    A B C D E
    Ka2008-0,3(1,4-0,3) 2 0.8 0.3 1.4 0.3
    HS2008-0,3(1,65-0,35) 2 0.8 0.3 1.65 0.35
    Ka2008-0,3(1,8-0,3) 2 0.8 0.3 1.8 0.3
    HS2010-0,3(1,9-0,35) 2 1 0.3 1.9 0.35
    HS2010-0.3(2-0.5) 2 1 0.3 2 0.5
    HS2010-0,3(2,5-0,5) 2 1 0.3 2.5 0.5
    HS2013-0,3(2,4-0,4) 2 1.3 0.3 2.4 0.4
    HS2014-0,3(2,6-0,4) 2 1.4 0.3 2.6 0.4
    HS2014E 2 1.4 0.3 2.3 0.45
    HS2014F 2 1.4 0.3 2.35 0.5
    HS2016-0.3-01 2 1.6 0.3 3.1 1
    HS2016-0.3(3.3-0.7) 2 1.6 0.3 3.3 0.7
    HS2016-0.3-02 2 1.6 0.3 3.3 1
    HS2016-0.3(5.6-2) 2 1.6 0.3 5.6 2
    HS2019-0,3(3-0,35) 2 1.9 0.3 3 0.35
    HS2020-0.3-02 2 2 0.3 3.5 0.5
    HS2020-0,3(3,6-0,8) 2 2 0.3 3.6 0.8
    HS2030-0.3(4.2-0.7) 2 3 0.3 4.2 0.7
  • 50 Ω charakteristische Impedanz – einkerniger runder Kopf
    50 Ω charakteristische Impedanz – einkerniger runder Kopf
    Modell Größe (mm)
    A B C D E
    HS8740-1.38(8.4-3.2) 8.7 4 1.38 8.4 3.2
    HS9430-1.5(9-3) 9.4 3 1.5 9 3
    HS9430-1.5(11-4) 9.4 3 1.5 11 4
    HS9640-1.5(9.2-3.2) 9.6 4 1.5 9.2 3.2
    HS10050-1.7(15-5) 10 5 1.7 15 5
    HS130100-3(18-4) 13 10 3 18 4
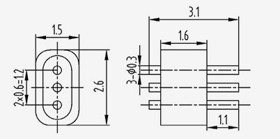
  • Charakteristische Impedanz von 50 Ω – einkernige runde Spitze
    Charakteristische Impedanz von 50 Ω – einkernige runde Spitze
    Modell Größe (mm)
    A B C D E
    HS2330-0,23(5,3-0,3) 2.3 3 0.23 5.3 0.3
    HS2815-0,3(5,2-1,2) 2.8 1.5 0.3 5.2 1.2
    HS2815-0,3(7,2-1,2) 2.8 1.5 0.3 7.2 1.2
    HS2635-0.3(7.1-1.3) 2.6 3.5 0.3 7.1 1.3
    HS3822-0,5(14,4-3,7) 3.8 2.2 0.5 14.4 3.7
    HS3525-0,5(11,5-6) 3.5 2.5 0.5 11.5 6
  • 50 Ω charakteristische Impedanz – einkerniger Flachkopf
    50 Ω charakteristische Impedanz – einkerniger Flachkopf
    Modell Größe (mm)
    A B C D E
    HS2516-0,38(5,1-2) 2.5 1.6 0.38 5.1 2
    HS2516-0,38(7,37-4,5) 2.5 1.6 0.38 7.37 4.5
    HS2517-0.38-01 2.5 1.7 0.38 2.7 0.65
    HS2520-0,38(3,2-0,5) 2.5 2 0.38 3.2 0.5
    HS2525-0.38-01 2.5 2.5 0.38 3.65 0.65
    HS2530-0,38(7,5-2,5) 2.5 3 0.38 7.5 2.5
    HS2816-0,45(4,9-1,8) 2.8 1.6 0.45 4.9 1.8
    HS2816-0.45-01 2.8 1.6 0.45 5 3
    HS2816-0,45(6-1,5) 2.8 1.6 0.45 6 1.5
    HS3030-0,5(7,5-2) 3 3 0.5 7.5 2
  • 50 Ω charakteristische Impedanz – einkernige, flache, runde Spitze
    50 Ω charakteristische Impedanz – einkernige, flache, runde Spitze
    Modell Größe (mm)
    A B C D E
    HS2006-0.3(3.1-1.8) 2 0.6 0.3 3.1 1.8
    HS2010-0.3(3.5-2) 2 1 0.3 3.5 2
    HS2020-0.3-01 2 2 0.3 3.7 0.6
    HS2035-0,3(6,4-1,8) 2 3.5 0.3 6.4 1.8
    HS2816-0,45(11,7-7,6) 2.8 1.6 0.45 11.7 7.6
    HS3020-0,5(10-6,5) 3 2 0.5 10 6.5
    HS3216-0.5(7.1-4) 3.2 1.6 0.5 7.1 4
    HS6448-1.0(10.2-3.5) 6.4 4.8 1 10.2 3.5
  • Ka2032-0,3(4,5-1,3)
    Ka2032-0,3(4,5-1,3)
    Modell
    Ka2032-0,3(4,5-1,3)
  • K2010-0,3(1,05-0,05)
    K2010-0,3(1,05-0,05)
    Modell
    K2010-0.3(1.05-0.05)
  • HS2510-0.3-02
    HS2510-0.3-02
    Modell
    HS2510-0.3-02
  • HS3520-0,5(3,4-0,3)
    HS3520-0,5(3,4-0,3)
    Modell
    HS3520-0,5(3,4-0,3)
  • Ka3216-0,5(5,85-1,5)
    Ka3216-0,5(5,85-1,5)
    Modell
    Ka3216-0,5(5,85-1,5)
  • K2515-0,38(2,9-0,3)
    K2515-0,38(2,9-0,3)
    Modell
    K2515-0,38(2,9-0,3)
  • 2-K482515-0,38(2,9-0,3)
    2-K482515-0,38(2,9-0,3)
    Modell
    2-K482515-0,38(2,9-0,3)
  • KW2016-0,3(0,7-1,6)
    KW2016-0,3(0,7-1,6)
    Modell
    KW2016-0,3(0,7-1,6)
  • KW2016-0.3(1-2.2)
    KW2016-0.3(1-2.2)
    Modell
    KW2016-0.3(1-2.2)
  • KW2025-0,3(1-2,2)
    KW2025-0,3(1-2,2)
    Modell
    KW2025-0.3(1-2.2)
  • JPW2040-0.3-01
    JPW2040-0.3-01
    Modell
    JPW2040-0.3-01
  • KW2018-0,3(0,95-2,1)
    KW2018-0,3(0,95-2,1)
    Modell
    KW2018-0,3(0,95-2,1)
  • Nicht 50 Ω charakteristische Impedanz – einkernige runde Spitze
    Nicht 50 Ω charakteristische Impedanz – einkernige runde Spitze
    Modell Größe (mm)
    A B C D E
    JD1515-0,4(5-1,5) 1.5 1.5 0.4 5 5
    JD1615-0,4(8-1,9) 1.6 1.5 0.4 8 8
    JD1616-0,4(30-14,2) 1.6 1.6 0.4 30 30
    JD1614-0,45(11,4-5) 1.6 1.4 0.45 11.4 11.4
    JD1616-0,45 (4,65-1,05) 1.6 1.6 0.45 4.65 4.65
    JD1616-0,45(16-4) 1.6 1.6 0.45 16 16
    JD1616-0,45(30-14,2) 1.6 1.6 0.45 30 30
    JD2020-0,45(6,3-3) 2 2 0.45 6.3 6.3
    JD2020-0,45(10-4) 2 2 0.45 10 10
    JD1614-0,5(9-4) 1.6 1.4 0.5 9 9
    JD1616-0,5(30-14,2) 1.6 1.6 0.5 30 30
    JD1619-0,5(5,1-2) 1.6 1.9 0.5 5.1 5.1
    HS2015-0,5(7,5-3) 2 1.5 0.5 7.5 7.5
    JD2016-0.5(12-5.8)-R 2 1.6 0.5 12 12
    HS2018-0,5(9,5-1,5) 2 1.8 0.5 9.5 9.5
    HS2018-0.5(11.5-7.2) 2 1.8 0.5 11.5 11.5
    HS2030-0,5(10-2) 2 3 0.5 10 10
    JD1919-0,6(7,9-1,9)-R 1.9 1.9 0.6 7.9 7.9
  • Nicht 50 Ω charakteristische Impedanz – einkernige runde Spitze
    Nicht 50 Ω charakteristische Impedanz – einkernige runde Spitze
    Modell Größe (mm)
    A B C D E
    HS2040-0.6(6-1) 2 4 0.6 6 1
    JD1818-0,7(10-6) 1.8 1.8 0.7 10 6
    JD1818-0,7(22,2-0,4) 1.8 1.8 0.7 22.2 0.4
    HS2016-0.7(4.6-1.5) 2 1.6 0.7 4.6 1.5
    HS2016-0.7(6.3-1.5) 2 1.6 0.7 6.3 1.5
    HS2016-0.7(7.1-1.5)-R 2 1.6 0.7 7.1 1.5
    HS2016-0,7(7,6-1,5) 2 1.6 0.7 7.6 1.5
    HS2016-0.7(9.6-4) 2 1.6 0.7 9.6 4
    K2016-0.7(11-4.6) 2 1.6 0.7 11 4.6
    HS2016-0.7(11.6-5) 2 1.6 0.7 11.6 5
    HS2016-0.7(17-15.1) 2 1.6 0.7 17 15.1
    HS2016-0,7(20-0,3) 2 1.6 0.7 20 0.3
    HS2017-0.7(9.7-3) 2 1.7 0.7 9.7 3
    HS2035-0.7(13-3) 2 3.5 0.7 13 3
    HS2020-0,75(12-4) 2 2 0.75 12 4
    HS2015-0.8(6.5-3) 2 1.5 0.8 6.5 3
    JD2015-0.8(10.5-3) 2 1.5 0.8 10.5 3
    JD2063-0.5(10.3-2) 2 6.3 0.5 10.3 2
  • Nicht 50 Ω charakteristische Impedanz – einkernige runde Spitze
    Nicht 50 Ω charakteristische Impedanz – einkernige runde Spitze
    Modell Größe (mm)
    A B C D E
    JD2518-0,8(12,8-5) 2.5 1.8 0.8 12.8 5
    JD2520-0,8(14-4) 2.5 2 0.8 14 4
    JD2540-0,8(10-4) 2.5 4 0.8 10 4
    JD3218-0,8(51,8-20) 3.2 1.8 0.8 51.8 20
    JD2530-0,9(6,6-1,8) 2.5 3 0.9 6.6 1.8
    JD2540A 2.5 4 0.8 10 4
    JD2816-1(6.6-2) 2.8 1.6 1 6.6 2
    K2816-1.0(16-10) 2.8 1.6 1 16 10
    JD3218-1(27-15) 3.2 1.8 1 27 15
    JD3015-1.3(10.2-6.1) 3 1.5 1.3 10.2 6.1
    JD3015-1.3(10.5-3) 3 1.5 1.3 10.5 3
    JD3430-1.4(10.5-4.5) 3.4 3 1.4 10.5 4.5
    JD12940-1.7(10-3) 12.9 4 1.7 10 3
    JD3916-2(6.6-2) 3.9 1.6 2 6.6 2
  • Nicht 50 Ω charakteristische Impedanz – einkerniger Flachkopf
    Nicht 50 Ω charakteristische Impedanz – einkerniger Flachkopf
    Modell Größe (mm)
    A B C D E
    JD1510-0.3-01 1.5 1 0.3 5.5 1.5
    JD1315-0.35-01 1.3 1.5 0.35 3.5 0.3
    JD1515-0,4(4,5-0,5) 1.5 1.5 0.4 4.5 0.5
    JD1516-0.4-01 1.5 1.6 0.4 14.6 1
    JD1615-0,5(7-0,5) 1.6 1.5 0.5 7 0.5
    JD1619-0,5(8,7-3) 1.6 1.9 0.5 8.7 3
    JD1619-0,5(10,3-4,6) 1.6 1.9 0.5 10.3 4.6
    JD2016-0,5(4,5-0,6) 2 1.6 0.5 4.5 0.6
    JD2016-0.5(12-5.8) 2 1.6 0.5 12 5.8
    JD2020-0.5-01 2 2 0.5 5.2 0.5
    JD2044-0,5(6,3-0,4) 2 4.4 0.5 6.3 0.4
    JD1919-0,6(7,9-1,9) 1.9 1.9 0.6 7.9 1.9
    RF2010-0.7(6.0-3.0) 2 1 0.7 6 3
    JD2015-0.8(6.5-3) 2 1.5 0.8 6.5 3
    RF2016-0.8(6.6-4.5) 2 1.6 0.8 6.6 4.5
    JD2816-1(10.3-4.9) 2.8 1.6 1 10.3 4.9
  • Charakteristische Impedanz ohne 50 Ω – einkernige, flache, runde Spitze
    Charakteristische Impedanz ohne 50 Ω – einkernige, flache, runde Spitze
    Modell Größe (mm)
    A B C D E
    RF1515-0,38(2,9-0,3) 1.5 1.5 0.38 2.9 0.3
    JD1614-0,5(17,9-0,5) 1.6 1.4 0.5 17.9 0.5
    JD1615-0,5(9-2,5) 1.6 1.5 0.5 9 2.5
    JD2016-0.7(8.1-4.5) 2 1.6 0.7 8.4 4.5
    JD2040-0,6(10-4,5) 2 4 0.6 10 4.5
    JD2016-0.7(9.1-2.5) 2 1.6 0.7 9.1 2.5
    JD2035-0.7(22-3) 2 3.5 0.7 22 3
  • Charakteristische Impedanz von nicht 50 Ω – Nagelkopftyp
    Charakteristische Impedanz von nicht 50 Ω – Nagelkopftyp
    Modell Größe (mm)
    A B C D E F G
    JD1616-0,45(4,2-1,5) 1.4 1.5 4.2 0.45 1.6 0.8 0.3
    JD1614-0,45(6,2-0,8) 1.4 0.8 6.2 0.45 1.6 0.8 0.3
    JD1614-0,45(6,9-1,5) 1.4 1.5 6.9 0.45 1.6 0.8 0.2
    JD1620-0,45(7-1) 2 1 7 0.45 1.6 1 0.3
    JD1630-0,5(7,5-0,5) 3 0.5 7.5 0.5 1.6 0.6 0.2
    JD1630-0,5(10,5-0,5) 3 0.5 10.5 0.5 1.6 0.6 0.2
    JD1816-0,5(20-0,5) 1.6 0.5 20 0.5 1.8 0.7 0.3
    JD2020B 2 2 0.6 5.7 1
  • JP2016-0.7(7.1-1.5)
    JP2016-0.7(7.1-1.5)
    Modelll
    JP2016-0.7(7.1-1.5)

    Modelll Größe (mm)
    A B C D E F G
    JD1614-0,45(6,9-1,5)-R 1.4 1.5 6.9 0.45 1.6 0.8 0.2
    JD1630-0,5(7,5-0,5)-R 3 0.5 7.5 0.5 1.6 0.6 0.2
  • Charakteristische Impedanz von nicht 50 Ω – Nagelkopftyp
    Charakteristische Impedanz von nicht 50 Ω – Nagelkopftyp
    Modell Größe (mm)
    A B C D E F G
    JD1614-0,45(6,9-1,5)-R 1.4 1.5 6.9 0.45 1.6 0.8 0.2
    JD1630-0,5(7,5-0,5)-R 3 0.5 7.5 0.5 1.6 0.6 0.2
  • JD1516-0.4-02
    JD1516-0.4-02
    Modell
    JD1516-0.4-02
  • RF1816-0,8(6,6-4,5)-2
    RF1816-0,8(6,6-4,5)-2
    Modell
    RF1816-0,8(6,6-4,5)-2
  • 2-RF281515-0,38(2,9-0,3)
    2-RF281515-0,38(2,9-0,3)
    Modell
    2-RF281515-0,38(2,9-0,3)
  • 2-RF301516-0,5(5,85-1,5)
    2-RF301516-0,5(5,85-1,5)
    Modell
    2-RF301516-0,5(5,85-1,5)
  • JD301520-0.5-01
    JD301520-0.5-01
    Modell
    JD301520-0.5-01
  • JD301515-0.5-01
    JD301515-0.5-01
    Modell
    JD301515-0.5-01
  • JD201315-0.35-01
    JD201315-0.35-01
    Modell
    JD301515-0.5-01
  • JD271516-0.4-02
    JD271516-0.4-02
    Modell
    JD271516-0.4-02
  • JD271516-0.4-01
    JD271516-0.4-01
    Modell
    JD271516-0.4-01
  • JD2615-0.35-01
    JD2615-0.35-01
    Modell
    JD2615-0.35-01
  • 3-RF411515-0,38(2,9-0,3)
    3-RF411515-0,38(2,9-0,3)
    Modell
    3-RF411515-0,38(2,9-0,3)
  • 3-RF421516-0,5(5,85-1,5)
    3-RF421516-0,5(5,85-1,5)
    Modell
    3-RF421516-0,5(5,85-1,5)
  • JD261516-0.3-01
    JD261516-0.3-01
    Modell
    JD261516-0.3-01
  • JD391516-0.4-01
    JD391516-0.4-01
    Modell
    JD391516-0.4-01
  • JD2815-0.35-01
    JD2815-0.35-01
    Modell
    JD2815-0.35-01
  • RF3416-0,8(6,6-4,5)-4
    RF3416-0,8(6,6-4,5)-4
    Modell
    RF3416-0.8(6.6-4.5)-4
  • 4-RF3416-0,5(5,85-1,5)
    4-RF3416-0,5(5,85-1,5)
    Modell
    4-RF3416-0,5(5,85-1,5)
  • JD341315-0.35-01
    JD341315-0.35-01
    Modell
    JD341315-0.35-01
  • JD272716-0.4-01
    JD272716-0.4-01
    Modell
    JD272716-0.4-01
  • JD511516-0.4-01
    JD511516-0.4-01
    Modell
    JD511516-0.4-01
  • JD2016-0.3-01
    JD2016-0.3-01
    Modell
    JD2016-0.3-01
  • JD3115-0.35-01
    JD3115-0.35-01
    Modell
    JD3115-0.35-01
  • JD631516-0.4-01
    JD631516-0.4-01
    Modell
    JD631516-0.4-01
  • RF1816-0,8(6,6-4,5)-6
    RF1816-0,8(6,6-4,5)-6
    Modell
    RF1816-0,8(6,6-4,5)-6
  • 6-RF811515-0,5(0,5-8,2)
    6-RF811515-0,5(0,5-8,2)
    Modell
    6-RF811515-0.5(0.5-8.2)
  • 6-RF821515-0,5(5,5-2,5)
    6-RF821515-0,5(5,5-2,5)
    Modell
    6-RF821515-0,5(5,5-2,5)
  • JD501516-0.4-01
    JD501516-0.4-01
    Modell
    JD501516-0.4-01
  • JD811520-0,5-0,1
    JD811520-0,5-0,1
    Modell
    JD811520-0,5-0,1
  • 7-RF941515-0,5(5,5-2,5)
    7-RF941515-0,5(5,5-2,5)
    Modell
    7-RF941515-0,5(5,5-2,5)
  • JD1201515-0.5-01
    JD1201515-0.5-01
    Modell
    JD1201515-0.5-01
  • JMC-265-JH
    JMC-265-JH
    Modell
    JMC-265-JH
  • JD1201515-0.5-02
    JD1201515-0.5-02
    Modell
    JD1201515-0.5-02
  • RF1816-0,8(6,6-4,5)-9
    RF1816-0,8(6,6-4,5)-9
    Modell
    RF1816-0,8(6,6-4,5)-9
  • JYZ22-0.45-01
    JYZ22-0.45-01
    Modell
    JYZ22-0.45-01
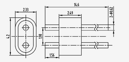
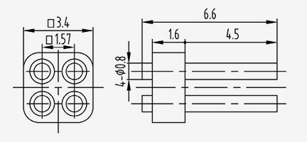
  • Charakteristische Impedanz von nicht 50 Ω – Mehrkern
    Charakteristische Impedanz von nicht 50 Ω – Mehrkern
    Modell Größe (mm)
    A B C D E F G H ein Durchzug Reihe Beendigung
    JD156018-0,3(27,2-0,8)-8 27.2 0.8 1.4 6 1.8 0.6 0.3 0 8 1 Verklebung der Oberseite des Innenleiters
    JD151152-0,3(4,5-1,5)-9 4.5 1.5 1.5 11.5 2 1.27 0.3 0 9 1 Löten
    2-JD162020-0,3(5-1,7)-4 A1=5
    A2=3,6
    B1=1,7
    B2=1
    1.6 2 2 0.57 0.3 0.57 4 2 Beidseitige Flächenverklebung der Innenleiter
    2-JD162020-0,3(7,6-1,7)-4 A1=7,6
    A2=3,6
    B1=1,7
    B2=1
    1.6 2 2 0.57 0.3 0.56 4 2 Beidseitige Flachverklebung der Innenleiterenden
    JD158215-0,38(7-0,8)-6 7 0.8 1.5 8.2 1.5 1.27 0.38 0 6 1 Verklebung der oberen Nagelkopffläche
    JD153015-0,38(8-1,9)-2 8 1.9 1.5 3 1.5 1.27 0.38 0 2 1 Geschweißt
    2-JD162525-0,38(10,6-3,5)-4 10.6 3.5 1.6 2.5 2.5 0.71 0.38 0.71 4 2 Löten
    2-JD187425-0,38(3,8-1)-16 A1=3,8
    A2=5,2
    B1=1
    B2=1,7
    1.8 7.4 2.5
    4
    0.88 0.38 1.02 16 2 Innenleiterenden abgeflacht und seitlich verklebt
    JD1510516-0,45(7,5-2)-8 7.5 2 1.5 10.5 1.6 1.27 0.45 0 8 1 Löten
    JD155515-0,5(5,7-1,7}-4 5.7 1.7 1.5 5.5 1.5 1.27 0.5 0 4 1 Innenleiteroberseite abgeflachte Verklebung
    JD1512015-0,5(5,8-2,5)-9 5.8 2.5 1.5 12 1.5 1.27 0.5 0 9 1 Abgeflachte Seitenkontaktierung des unteren Innenleiters
    JD153015-0,5(7-0,5)-2 7 0.5 1.5 3 1.5 1.27 0.5 0 2 1 Verklebung der Innenleiterenden
  • Charakteristische Impedanz von nicht 50 Ω – Mehrkern
    Charakteristische Impedanz von nicht 50 Ω – Mehrkern
    Modell Größe (mm)
    A B C D E F G H eiN Durchzug Reihe Beendigung
    JD153815-0,5(7,7-1,2)-2 7.7 1.2 1.5 3.8 1.5 2.1 0.5 0 2 1 Innenleiteroberseite abgeflachte Verklebung
    JD153015-0,5(13,5-4)-2 13.5 4 1.5 3 1.5 1.27 0.5 0 2 1 Schweißen
    JD1613215-0,5(10,6-2)-10 10.6 2 1.6 13.2 1.5 1.27 0.5 0 10 1 Löten
    JD302915-0,5(8-1)-2 8 1 3 2.9 1.5 1.27 0.5 0 2 1 Verklebung der Oberseite des Innenleiters
    2-JD165528-0,5(7,6-1)-8 7.6 1 1.6 5.5 2.8 1.07 0.5 0 8 2 Verklebung der Oberseite des Innenleiters
    2-JD154330-0,5(5,8-2)-5 Al=5,8
    A2=5,1
    B1=2
    B2=1,3
    1.5 4.3 3 1.27 0.5 1.5 5 2 Abflachung der Lötoberseite
    2-JD156830-0,5(5,8-2)-9 Al=5,8
    A2=5,1
    B1=2
    B2=1,3
    1.5 6.8 n 1.27 0.5 1.5 6 2 Schweißabflachung der Innenleiteroberseite
    2-JD1512030-0,5(9,3-2,8)-18 A1=9,3
    A2=8
    B1=2,8
    B2=1,5
    1.5 12 3 1.27 0.5 1.5 18 2 Schweißen Flattening of inner conductor ends
    3-JD155545-0,5(9,5-4)-12 Al=9,5
    A2=7,5
    A3=5,5
    B1=4
    B2=3
    B3=2
    1.5 5.5 4.5 1.27 0.5 1.5 12 3 Löten
    2-JD207015-0,6(7-3)-10 A1=7
    A2=6
    B1=3
    B2=2
    2 7 1.5 1.27 0.6 1.5 10 2 Innenleiter beidseitig abgeflacht und verklebt
    2-JD3012230-0,6(10,8-5)18 10.8 5 3 12.2 3 1.27 0.6 1.5 18 2 Abgeflachte Kontaktierung auf der unteren Innenleiterseite
  • JYZ22-0.45-02
    JYZ22-0.45-02
    Modell
    JYZ22-0.45-02

DEN KONTAKT HALTEN

[#Eingang#]
SENDEN
Über uns
Ningbo Hanson Kommunikationstechnologie Co., Ltd.
Ningbo Hanson Kommunikationstechnologie Co., Ltd.
Ningbo Hanson Communication Technology Co., Ltd. is China HF-Glasisolator Supplier and Custom HF-Glasisolator Company. We are a manufacturer specializing in the production, processing, and trade of communication components, with more than 30 years of experience in RF coaxial connectors, adapters, and cable assemblies. Das Unternehmen hat mittlerweile eine eigene Bearbeitungswerkstatt, eine Galvanikwerkstatt, eine Montagewerkstatt und eine Gruppe stabiler und zuverlässiger Lieferanten aufgebaut. Der Zweck des Unternehmens besteht darin, den Kunden qualitativ hochwertige Produkte anzubieten. Die wichtigsten Produkte sind HF-Koaxialsteckverbinder, Adapter, Hochfrequenzkabelbaugruppen und Kabelbaugruppen mit geringer Intermodulation. Darüber hinaus kann das Unternehmen auch Dienstleistungen für Kunden mit individuellen Bedürfnissen anbieten, um den besonderen Anforderungen der Kunden an Produkte gerecht zu werden. Die Produkte des Unternehmens werden häufig in der Luft- und Raumfahrt, in Kommunikationsbasisstationen, in medizinischen Geräten und anderen High-Tech-Bereichen eingesetzt. Im Zuge der Unternehmensreform, der Innovation, der Entwicklung und des Wachstums ergriff das Unternehmen die Initiative, sich dem internationalen Qualitätsmanagementsystem ISO9001 anzuschließen und die Managementebene kontinuierlich zu verbessern, um neuen und alten Kunden zufriedenstellendere Produkte und Dienstleistungen anbieten zu können.
Neueste Nachrichten
Suchen Sie nach einer Geschäftsmöglichkeit?

Fordern Sie noch heute einen Anruf an