OEM N type RF Coaxial Connector Supplier

Ningbo Hanson Kommunikationstechnologie Co., Ltd. Heim / Produkte / HF-Koaxialstecker / N-Typ-HF-Koaxialstecker

N-Typ-HF-Koaxialstecker

Beschreibung:

Der HF-Koaxialsteckverbinder der N-Typ-Serie ist ein HF-Koaxialsteckverbinder mit einem Gewindeverbindungsmechanismus, der gemäß dem US-Militärstandard MIL-C-39012 entwickelt und hergestellt wurde. Es zeichnet sich durch große Bandbreite, gute Schockfestigkeit, hohe Zuverlässigkeit und hervorragende Leistung aus und wird häufig in Mikrowellenkommunikations- und Messsystemen verwendet. Die charakteristische Impedanz des von unserem Werk hergestellten HF-Koaxialsteckverbinders der N-Typ-Serie ist in zwei Typen unterteilt: 50 Ω und 75 Ω.

Parameter:

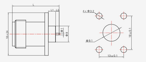
Wichtigste technische Spezifikationen:
◆ Charakteristische Impedanz: 50 Ω/75 Ω
◆ Frequenzbereich: DC-18 GHz (50 Ω)/DC-3 GHz (75 Ω)
◆ Isolationswiderstand: ≥5000 MΩ
◆ Dielektrische Spannungsfestigkeit: 1500 V (rms)
◆ Spannungs-Stehwellenverhältnis (VSWR): ≤1,30
◆ Steckzyklen: 500 Mal

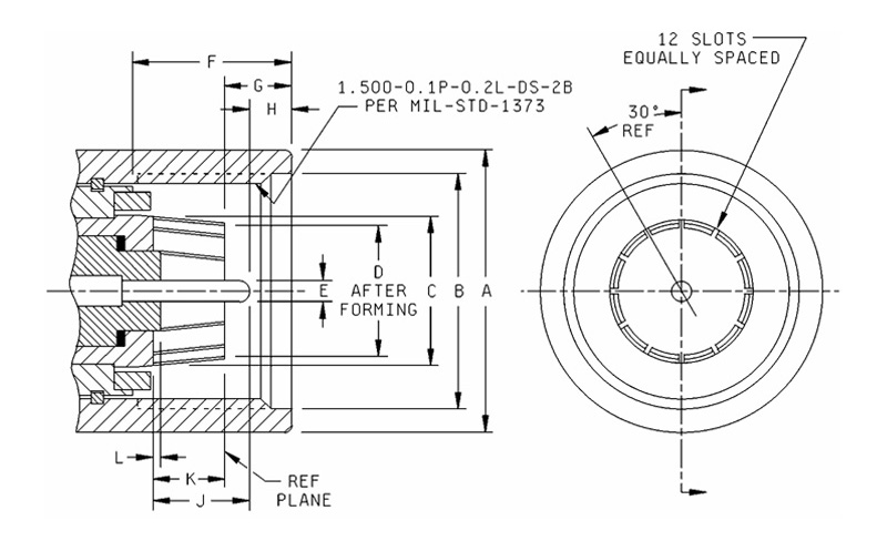
Erkundigen

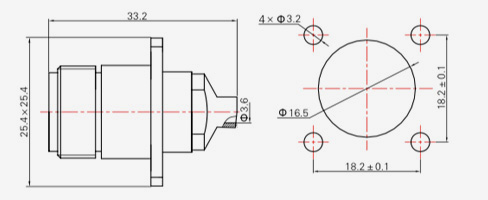
Schwach
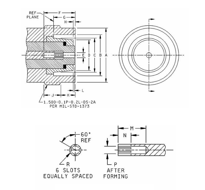
Ltr
Zoll (mm)
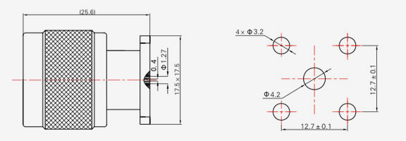
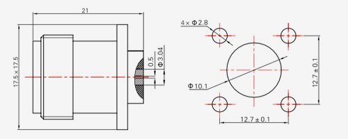
Min. Max.
A .336 (8,53) .344 (8,74)
B .316 (8,03) .320 (8,13)
C .356 (9,04) .362 (9,19)
D .187 (4,75) .207 (5,26)
E ------- .627 (15,93)
F .119 (3,02) .124 (3,15)
G .422 (10,72) -------
H .172 (4,37) .220 (5,59)
J .047 (1,19) .077 (1,96)
K .047 (1,19) .077 (1,96)
L .187 (4,75) .207 (5,26)
N .210 (5,33) -------

Hinweise:
1. Diese Schnittstelle muss die Messgeräteanforderungen erfüllen, wie in angegeben
MIL-PRF-39o12/2.
2. Freiraum für die Überwurfmutter des Gegensteckers.
3. Um VSwR, Steckeigenschaften, Kontaktwiderstand usw. zu erfüllen
Haltbarkeit des Steckverbinders bei Verbindung mit einem Stift mit einem Durchmesser von 0,063/0,066.

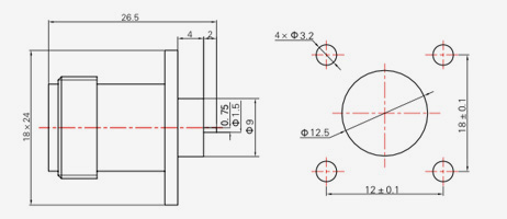
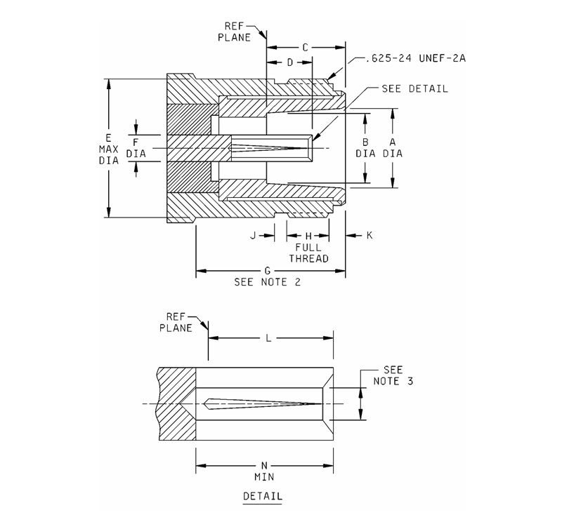
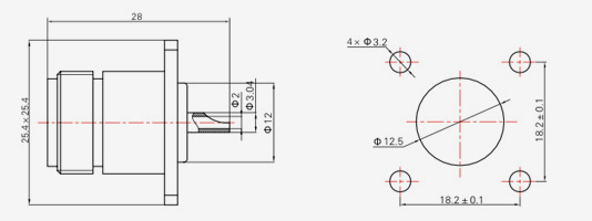
Schwach
Ltr
Zoll (mm)
Min. Max.
A 1,740 (44,20) 1,760 (44,70)
B 1,537 (39,04) 1,543 (39,19)
C 1,060 (26,92) 1,064 (27,03)
D .964 (24,49) .974 (24,74)
E .194 (4,93) .196 (4,98)
F .836 (21,23) .856 (21,74)
G .372 (9,45) .392 (9,96)
H .271 (6,88) .291 (7,39)
J 551 (14.00) .571 (14,50)
K .370 (9,40) .380 (9,65)
L .001 (0,03) .013 (0,33)

Hinweise:
1. Diese Schnittstelle muss die Messgeräteanforderungen erfüllen, wie in angegeben MIL-PRF-39012/44.

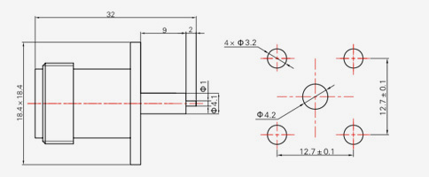
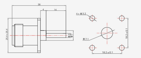
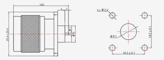
Schwach
Ltr
Zoll (mm)
Min. Max.
A 1,404 (35,66) 1,408 (35,76)
B 1.100 (27,94) 1,120 (28,45)
C 1,998 (50,75) 1,002 (25,45)
D 936 (23,77) .940 (23,88)
E .191 (4,85) .195 (4,95)
F .763 (19,38) .783 (19,89)
G .465 (11,81) .485 (12,32)
H .062 (1,57) Referenz
J .302 (7,67) .322 (8,18)
K .302 (7,67) .322 (8,18)
L .001 (0,03) .013 (0,33)
M .490 (12,45) .510 (12,95)
N .240 (6,10) .260 (6,60)
P .187 (4,75) .189 (4,80)
R .014 (0,36) .018 (0,46)

Hinweise:
1. Diese Schnittstelle muss die Messgeräteanforderungen erfüllen, wie in angegeben MIL-PRF-39012/45.

N SERIES
  • N-JB2
    N-JB2
    MoDell Kabeltyp d
    N-JB2 SFT-50-2,670-086 Φ2,2
    N-JB3 SFT-50-3,670-141 Ф3,6
  • N-JB3-1
    N-JB3-1
    Modell Kabeltyp L
    N-JB3-1 SFT-50-3.670-141 17.6
    N-JB3A-1 SFT-50-3.670-141 16.5
  • N-KB3
    N-KB3
    Modell Kabeltyp
    N-KB3 SFT-50-3.670-141
  • N-KFB3
    N-KFB3
    Modell Kabeltyp
    N-KFB3 SFT-50-3.670-141
  • N-KYB3
    N-KYB3
    Modell Kabeltyp
    N-KYB3 SFT-50-3.670-141
  • N-J3
    N-J3
    Modell Kabeltyp
    N-J3 SYV-50-2-1,RG316
    N-J4 SYV-50-2-2
  • N-J5
    N-J5
    Modell Kabeltyp L
    N-J5 SYV-50-3,RG142, SFCJ-50-3-51 33
    N-J5C SYV-50-3,RG142, SFCJ-50-3-51 33
    N-J7 SYV-50-5-1, SFCJ-50-5-51 36
    N-J10 SYV-50-7-1, SYV-50-7-2, SFCJ-50-7-51 36
  • N-J5.3
    N-J5.3
    Modell Kabeltyp
    N-J5.3 32055,205,GNB415
  • N-J311
    N-J311
    Modell Kabeltyp
    N-J311 FFB311A
  • N-J10-1
    N-J10-1
    Modell Kabeltyp
    N-J10-1 SFCJ-50-7-51
  • N-JW5
    N-JW5
    Modell Kabeltyp
    N-JW5 SFCJ-50-3-51,SYV-50-3-4,RG142
    N-JW7 SFCJ-50-5-51,SYV-50-5-1
    N-JW10 SFCJ-50-7-51,SYV-50-7-2
  • N-JW8A
    N-JW8A
    Modell Kabeltyp
    N-JW8A FFB311A,SYV-50-5
    N-JW12A SYV-75-3
    N-JW13A SYV-75-5
  • N-K3
    N-K3
    Modell Kabeltyp
    N-K3 SYV-50-2-1,RG316
  • N-K5
    N-K5
    Modell Kabeltyp L
    N-K5 SYV-50-3,RG142, SFCJ-50-3-51 36
    N-K7 SYV-50-5-1,SFCJ-50-5-51 38
    N-K10 SYV-50-7-1,SFCJ-50-7-51 38
  • N-KF5
    N-KF5
    Modell Kabeltyp L
    N-KF5 SYV-50-3,RG142,SFCJ-50-3-51 36
    N-KF7 SYV-50-5-1,SFCJ-50-5-51 38
    N-KF10 SYV-50-7-1,SFCJ-50-7-51 38
  • N-KF3A
    N-KF3A
    Modell Kabeltyp L
    N-KF3A SYV-50-2-1,RG316 33
    N-KF5A SYV-50-3-4,RG142 42
  • N-KY3Y
    N-KY3Y
    Modell Kabeltyp
    N-KY3Y SYV-50-2-1,RG316
  • N-KFD
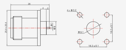
    N-KFD
    Modell L L1 L2
    KFD 26 4 2
    KFD2 31 6 5
    KFD15 30 6 4
    KFD16 28.5 6 2.5
    KFD17 28 6 2
    KFD18 29 5 4
    KFD19 29 4 5
    KFD20 33 4 9
  • N-KF
    N-KF
  • N-JFD1
    N-JFD1
  • N-JFD2
    N-JFD2
  • N-JFD3
    N-JFD3
  • N-JFD23
    N-JFD23
  • N-KFD1
    N-KFD1
  • N-KFD7
    N-KFD7
  • N-KFD11
    N-KFD11
  • N-KFD50
    N-KFD50
  • N-KFD-Z
    N-KFD-Z
  • N-KFD9
    N-KFD9
  • N-KFD14
    N-KFD14

DEN KONTAKT HALTEN

[#Eingang#]
SENDEN
Über uns
Ningbo Hanson Kommunikationstechnologie Co., Ltd.
Ningbo Hanson Kommunikationstechnologie Co., Ltd.
Ningbo Hanson Communication Technology Co., Ltd. is China N type RF Coaxial Connector Supplier and Custom N type RF Coaxial Connector Company. We are a manufacturer specializing in the production, processing, and trade of communication components, with more than 30 years of experience in RF coaxial connectors, adapters, and cable assemblies. Das Unternehmen hat mittlerweile eine eigene Bearbeitungswerkstatt, eine Galvanikwerkstatt, eine Montagewerkstatt und eine Gruppe stabiler und zuverlässiger Lieferanten aufgebaut. Der Zweck des Unternehmens besteht darin, den Kunden qualitativ hochwertige Produkte anzubieten. Die wichtigsten Produkte sind HF-Koaxialsteckverbinder, Adapter, Hochfrequenzkabelbaugruppen und Kabelbaugruppen mit geringer Intermodulation. Darüber hinaus kann das Unternehmen auch Dienstleistungen für Kunden mit individuellen Bedürfnissen anbieten, um den besonderen Anforderungen der Kunden an Produkte gerecht zu werden. Die Produkte des Unternehmens werden häufig in der Luft- und Raumfahrt, in Kommunikationsbasisstationen, in medizinischen Geräten und anderen High-Tech-Bereichen eingesetzt. Im Zuge der Unternehmensreform, der Innovation, der Entwicklung und des Wachstums ergriff das Unternehmen die Initiative, sich dem internationalen Qualitätsmanagementsystem ISO9001 anzuschließen und die Managementebene kontinuierlich zu verbessern, um neuen und alten Kunden zufriedenstellendere Produkte und Dienstleistungen anbieten zu können.
Neueste Nachrichten
Suchen Sie nach einer Geschäftsmöglichkeit?

Fordern Sie noch heute einen Anruf an