OEM Hermetisch abgedichteter SMP-Stecker Supplier

Ningbo Hanson Kommunikationstechnologie Co., Ltd. Heim / Produkte / Hermetisch versiegelte Serie / Hermetisch abgedichteter SMP-Stecker

Hermetisch abgedichteter SMP-Stecker

Beschreibung:

Der hermetische HF-Koaxialsteckverbinder vom Typ SMP-J weist die Eigenschaften einer hermetischen Verpackung auf und kann auf dem Rohrgehäuse oder der Geräteplatte verpackt und verschweißt werden. Das Gehäuse und der Innenleiter dieses Produkts bestehen aus Kovar-Legierungsmaterial und die Oberfläche kann mit Hartgold oder Weichgold plattiert werden. Das Isoliermedium besteht aus bei hoher Temperatur gesintertem Glas und die Dielektrizitätskonstante beträgt etwa 4. Es bietet die Vorteile einer geringen Größe, eines geringen Gewichts, einer hermetischen Abdichtung, einer hohen Zuverlässigkeit usw. Es wird hauptsächlich in Fällen mit Dichtungsanforderungen oder besonderen Anforderungen an Produktvolumen und -gewicht verwendet und ist für eine intensive Installation geeignet.

Erkundigen

Grundstruktur:
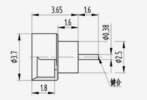
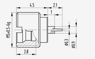
Der luftdichte HF-Koaxialstecker vom Typ SMP-J besteht normalerweise aus drei Teilen: Außenleiter, Glasmedium und Innenleiter. Die Grundstruktur ist in der Abbildung dargestellt.

Wenn der freiliegende Teil des Innenleiters des Produkts durch Einstecken oder Flächenschweißen verbunden wird, kann die Endfläche des Innenleiters als Kugelkopf hergestellt werden; Wenn der freiliegende Teil des Innenleiters des Produkts durch Kleben verbunden wird, kann die Endfläche des Innenleiters als flacher Kopf hergestellt werden oder die Seite des freiliegenden Teils des Innenleiters kann gefräst werden.

Wichtigste technische Parameter:

Elektrische Eigenschaften
Charakteristische Impedanz 50Ω Frequenzbereich Gleichstrom ~ 40 GHz
Dielektrische Spannungsfestigkeit 500 Vrms Isolationswiderstand 2000M Ω
Spannung VSWR <1,4 Einfügedämpfung ≤0,05 √f dB(GHz)
Material- und mechanische Umwelteigenschaften
Gehäuse Lavable Legierung/vergoldet Stifte Stecker Thorium Delegierbare Legierungsvergoldung
Isoliermedium Glas Haltbarkeit des Steckverbinders Volle Rastung ≥100 Mal
Leckrate ≤1,01325×10 Pa ·m³/s Begrenzte Rastung ≥500 Mal
Betriebstemperatur -65℃~ 165℃ Glatte Bohrung ≥1000 Mal

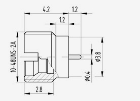
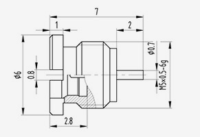
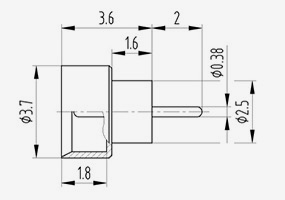
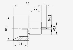
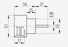
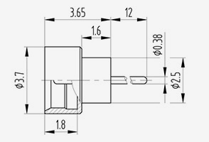
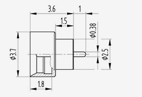
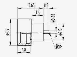
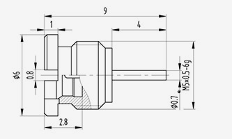
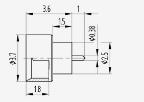
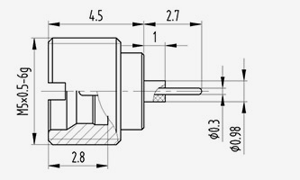
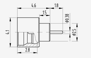
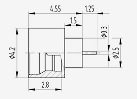
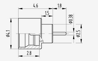
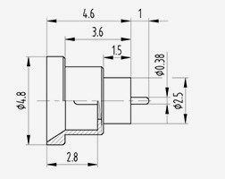
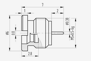
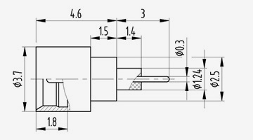
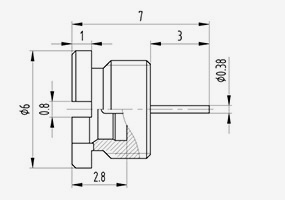
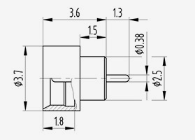
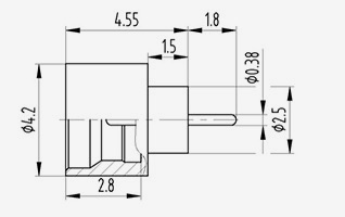
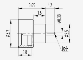
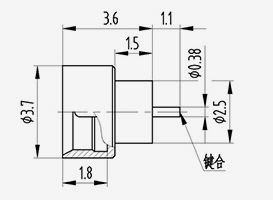
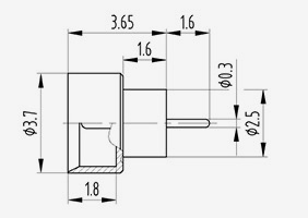
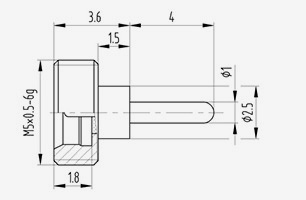
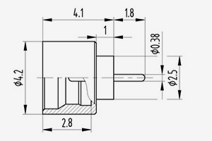
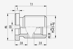
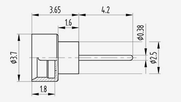
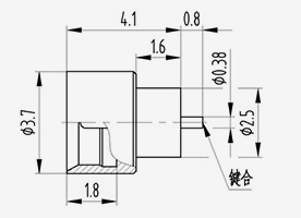
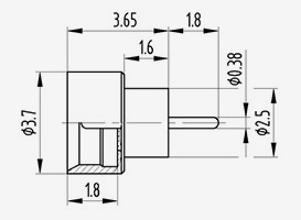
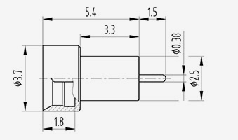
Schnittstellenabmessungen:
Luftversiegelte HF-Koaxialsteckverbinder vom Typ SMP-J verfügen über drei Schnittstellenformen: vollständige Hemmung, halbe Hemmung und Lichtloch. Bei der Benennung des Modells steht F für vollständige Hemmung, L für halbe Hemmung und S für Lichtloch. Die Schnittstellenabmessungen sind in Standardschnittstellenabmessungen und kurze Schnittstellenabmessungen unterteilt, die beide mit Steckern vom Typ SMP-K steckbar sind.

Standardschnittstellengröße:

Kurze Schnittstellengröße:

SMP SERIES
  • SMP(M)-JYD3S
    SMP(M)-JYD3S
    Modell Bemerkungen
    SMP(M)-JYD3S Glatte Bohrung
  • SMP(M)-JYD6L
    SMP(M)-JYD6L
    Modell Bemerkungen
    SMP(M)-JYD6L Begrenzte Rastung
  • SMP(M)-JYD12L
    SMP(M)-JYD12L
    Modell Bemerkungen
    SMP(M)-JYD12L Volle Rastung
  • SMP(M)-JYD13F
    SMP(M)-JYD13F
    Modell Bemerkungen
    SMP(M)-JYD13F Volle Rastung
  • SMP(M)-JYD14L
    SMP(M)-JYD14L
    Modell Bemerkungen
    SMP(M)-JYD14L Begrenzte Rastung
  • SMP(M)-JYD17S
    SMP(M)-JYD17S
    Modell Bemerkungen
    SMP(M)-JYD17S Glatte Bohrung
  • SMP(M)-JYD19L
    SMP(M)-JYD19L
    Modell Bemerkungen
    SMP(M)-JYD19L Begrenzte Rastung
  • SMP(M)-JYD22S
    SMP(M)-JYD22S
    Modell Bemerkungen
    SMP(M)-JYD22S Begrenzte Rastung
  • SMP(M)-JYD23S
    SMP(M)-JYD23S
    Modell Bemerkungen
    SMP(M)-JYD23S Begrenzte Rastung
  • SMP(M)-JYD24S
    SMP(M)-JYD24S
    Modell Bemerkungen
    SMP(M)-JYD24S Begrenzte Rastung
  • SMP(M)-JYD25L
    SMP(M)-JYD25L
    Modell Bemerkungen
    SMP(M)-JYD25L Begrenzte Rastung
  • SMP(M)-JYD26L
    SMP(M)-JYD26L
    Modell Bemerkungen
    SMP(M)-JYD26L Begrenzte Rastung
  • SMP(M)-JYD27L
    SMP(M)-JYD27L
    Modell Bemerkungen
    SMP(M)-JYD27L Begrenzte Rastung
  • SMP(M)-JYD28L
    SMP(M)-JYD28L
    Modell Bemerkungen
    SMP(M)-JYD28L Begrenzte Rastung
  • SMP(M)-JYD29L
    SMP(M)-JYD29L
    Modell Bemerkungen
    SMP(M)-JYD29L Begrenzte Rastung
  • SMP(M)-JYD30L
    SMP(M)-JYD30L
    Modell Bemerkungen
    SMP(M)-JYD30L Begrenzte Rastung
  • SMP(M)-JYD31L
    SMP(M)-JYD31L
    Modell Bemerkungen
    SMP(M)-JYD31L Begrenzte Rastung
  • SMP(M)-JYD32F
    SMP(M)-JYD32F
    Modell Bemerkungen
    SMP(M)-JYD32F Begrenzte Rastung
  • SMP(M)-JYD33L
    SMP(M)-JYD33L
    Modell Bemerkungen
    SMP(M)-JYD33L Begrenzte Rastung
  • SMP(M)-JYD34L
    SMP(M)-JYD34L
    Modell Bemerkungen
    SMP(M)-JYD34L Begrenzte Rastung
  • SMP(M)-JYD35L
    SMP(M)-JYD35L
    Modell Bemerkungen
    SMP(M)-JYD35L Begrenzte Rastung
  • SMP(M)-JYD37L
    SMP(M)-JYD37L
    Modell Bemerkungen
    SMP(M)-JYD37L Begrenzte Rastung
  • SMP(M)-JYD41L
    SMP(M)-JYD41L
    Modell Bemerkungen
    SMP(M)-JYD41L Begrenzte Rastung
  • SMP(M)-JYD42S
    SMP(M)-JYD42S
    Modell Bemerkungen
    SMP(M)-JYD42S Begrenzte Rastung
  • SMP(M)-JYD43L
    SMP(M)-JYD43L
    Modell Bemerkungen
    SMP(M)-JYD43L Begrenzte Rastung
  • SMP(M)-JYD44L
    SMP(M)-JYD44L
    Modell Bemerkungen
    SMP(M)-JYD44L Begrenzte Rastung
  • SMP(M)-JYD45L
    SMP(M)-JYD45L
    Modell Bemerkungen
    SMP(M)-JYD45L Begrenzte Rastung
  • SMP(M)-JYD46L
    SMP(M)-JYD46L
    Modell Bemerkungen
    SMP(M)-JYD46L Begrenzte Rastung
  • SMP(M)-JYD47L
    SMP(M)-JYD47L
    Modell Bemerkungen
    SMP(M)-JYD47L Begrenzte Rastung
  • SMP(M)-JYD48L
    SMP(M)-JYD48L
    Modell Bemerkungen
    SMP(M)-JYD48L Begrenzte Rastung
  • SMP(M)-JYD49L
    SMP(M)-JYD49L
    Modell Bemerkungen
    SMP(M)-JYD49L Begrenzte Rastung
  • SMP(M)-JYD50S
    SMP(M)-JYD50S
    Modell Bemerkungen
    SMP(M)-JYD50S Glatte Bohrung
  • SMP(M)-JYD51L
    SMP(M)-JYD51L
    Modell Bemerkungen
    SMP(M)-JYD51L Begrenzte Rastung
  • SMP(M)-JYD52S
    SMP(M)-JYD52S
    Modell Bemerkungen
    SMP(M)-JYD52S Glatte Bohrung
  • SMP(M)-JYD53L
    SMP(M)-JYD53L
    Modell Bemerkungen
    SMP(M)-JYD53L Begrenzte Rastung
  • SMP(M)-JYD54S
    SMP(M)-JYD54S
    Modell Bemerkungen
    SMP(M)-JYD54S Glatte Bohrung
  • SMP(M)-JYD55L
    SMP(M)-JYD55L
    Modell Bemerkungen
    SMP(M)-JYD55L Begrenzte Rastung
  • SMP(M)-JYD57S
    SMP(M)-JYD57S
    Modell Bemerkungen
    SMP(M)-JYD57S Glatte Bohrung
  • SMP(M)-JYD80L
    SMP(M)-JYD80L
    Modell Bemerkungen
    SMP(M)-JYD80L Begrenzte Rastung
  • SMP(M)-JYD81L
    SMP(M)-JYD81L
    Modell Bemerkungen
    SMP(M)-JYD81L Begrenzte Rastung
  • SMP(M)-JYD82L
    SMP(M)-JYD82L
    Modell Bemerkungen
    SMP(M)-JYD82L Begrenzte Rastung
  • SMP(M)-JYD83F
    SMP(M)-JYD83F
    Modell Bemerkungen
    SMP(M)-JYD83F Volle Rastung
  • SMP(M)-JYD84S
    SMP(M)-JYD84S
    Modell Bemerkungen
    SMP(M)-JYD84S Glatte Bohrung
  • SMP(M)-JYD85S
    SMP(M)-JYD85S
    Modell Bemerkungen
    SMP(M)-JYD85S Glatte Bohrung
  • SMP(M)-JYD86L
    SMP(M)-JYD86L
    Modell Bemerkungen
    SMP(M)-JYD86L Begrenzte Rastung
  • SMP(M)-JYD87S
    SMP(M)-JYD87S
    Modell Bemerkungen
    SMP(M)-JYD87S Glatte Bohrung
  • SMP(M)-JYD88L
    SMP(M)-JYD88L
    Modell Bemerkungen
    SMP(M)-JYD88L Begrenzte Rastung
  • SMP(M)-JYD89L
    SMP(M)-JYD89L
    Modell Bemerkungen
    SMP(M)-JYD89L Begrenzte Rastung
  • SMP(M)-JYD90L
    SMP(M)-JYD90L
    Modell Bemerkungen
    SMP(M)-JYD90L Begrenzte Rastung
  • SMP(M)-JYD91L
    SMP(M)-JYD91L
    Modell Bemerkungen
    SMP(M)-JYD91L Begrenzte Rastung
  • SMP(M)-JYD92L
    SMP(M)-JYD92L
    Modell Bemerkungen
    SMP(M)-JYD92L Begrenzte Rastung
  • SMP(M)-JYD93S
    SMP(M)-JYD93S
    Modell Bemerkungen
    SMP(M)-JYD93S Glatte Bohrung
  • SMP(M)-JYD94L
    SMP(M)-JYD94L
    Modell Bemerkungen
    SMP(M)-JYD94L Begrenzte Rastung
  • SMP(M)-JYD95L
    SMP(M)-JYD95L
    Modell Bemerkungen
    SMP(M)-JYD95L Begrenzte Rastung
  • SMP(M)-JYD96L
    SMP(M)-JYD96L
    Modell Bemerkungen
    SMP(M)-JYD96L Begrenzte Rastung
  • SMP(M)-JYD97S
    SMP(M)-JYD97S
    Modell Bemerkungen
    SMP(M)-JYD97S Glatte Bohrung
  • SMP(M)-JYJ1S
    SMP(M)-JYJ1S
    Modell Bemerkungen
    SMP(M)-JYJ1S Glatte Bohrung

DEN KONTAKT HALTEN

[#Eingang#]
SENDEN
Über uns
Ningbo Hanson Kommunikationstechnologie Co., Ltd.
Ningbo Hanson Kommunikationstechnologie Co., Ltd.
Ningbo Hanson Communication Technology Co., Ltd. is China Hermetisch abgedichteter SMP-Stecker Supplier and Custom Hermetisch abgedichteter SMP-Stecker Company. We are a manufacturer specializing in the production, processing, and trade of communication components, with more than 30 years of experience in RF coaxial connectors, adapters, and cable assemblies. Das Unternehmen hat mittlerweile eine eigene Bearbeitungswerkstatt, eine Galvanikwerkstatt, eine Montagewerkstatt und eine Gruppe stabiler und zuverlässiger Lieferanten aufgebaut. Der Zweck des Unternehmens besteht darin, den Kunden qualitativ hochwertige Produkte anzubieten. Die wichtigsten Produkte sind HF-Koaxialsteckverbinder, Adapter, Hochfrequenzkabelbaugruppen und Kabelbaugruppen mit geringer Intermodulation. Darüber hinaus kann das Unternehmen auch Dienstleistungen für Kunden mit individuellen Bedürfnissen anbieten, um den besonderen Anforderungen der Kunden an Produkte gerecht zu werden. Die Produkte des Unternehmens werden häufig in der Luft- und Raumfahrt, in Kommunikationsbasisstationen, in medizinischen Geräten und anderen High-Tech-Bereichen eingesetzt. Im Zuge der Unternehmensreform, der Innovation, der Entwicklung und des Wachstums ergriff das Unternehmen die Initiative, sich dem internationalen Qualitätsmanagementsystem ISO9001 anzuschließen und die Managementebene kontinuierlich zu verbessern, um neuen und alten Kunden zufriedenstellendere Produkte und Dienstleistungen anbieten zu können.
Neueste Nachrichten
Suchen Sie nach einer Geschäftsmöglichkeit?

Fordern Sie noch heute einen Anruf an